全國服務熱線:
400-816-1636
菜單

掃一掃關注公眾號
一、概述
太陽能中高溫技術的開發是人類對太陽能應用技術的又一次提高,使太陽能的應用范圍更加擴大,在工業上的太陽能利用得已實現。TRM-2BN型太陽能中高溫槽式集熱器試驗系統是研究中高溫太陽能技術的平臺,集成了前沿的太陽能產品技術與測試技術,演示了太陽能各過程的運行效果。是生產廠家,科研機構,教學領域的理想試驗系統。

系統構成:
A.太陽能槽式聚光集熱器;
B.太陽能中高溫集熱器控制運行系統;
C.太陽能中高溫集熱器熱性能測試系統。
A.太陽能槽式聚光集熱器
(1)性能指標:槽式太陽能聚焦光帶溫度達到200℃(可有15℃上下一定量的浮動量);槽式太陽能集熱器鏡面開口弦長2.5m,單位支架反光有效鏡面長6米,總安裝組數2組,合計面積30平方米。
抗風指數:不低于7級風,7級以下風力可正常運轉,7級以上槽式系統停止運轉。
(2)槽式支架連接方式是焊接及螺栓連接。按國家標準噴涂防腐漆,除銹去毛刺,表面噴塑處理。
( 3 )反光鏡面為鋼化鍍銀,反光效率85%以上。
(4)驅動跟蹤系統按國家標準使聚焦光帶一直維系在集熱管上,誤差不超過1cm。
(5)吸熱管內徑為ø40mm的雙通真空集熱管。
(6)集熱器兩端口各接出2米長(共4米)金屬管路,該管路內徑約40mm,外部包有壁厚至少30mm的保溫材料。整體集熱系統的保溫性能要符合太陽能行業標準。
B.太陽能中高溫集熱器控制運行系統
1、運行原理:
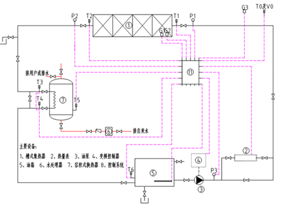
主要由導熱油循環子系統以及水循環子系統組成,兩個子系統的交匯處為容積式換熱器。導熱油子系統為開式系統,在原理圖中管線為黑色,管線管徑為DN32;水循環系統為閉式系統,管線管徑為DN20,在原理圖中管線為紅色。整個系統按照導熱油最高溫度260℃,壓力0.6MPa,水最高溫度200℃,壓力1.6MPa設計。
2、材料設備規格要求:
導熱油應選取在無毒、對金屬無腐蝕、起鎦點高、閃點高、粘度小、不易結焦、不易堵塞管道、載熱量大、熱穩定性好、使用壽命長的。其中必須滿足常壓下-30℃至260℃范圍內為液相,粘度越小越好,導熱油需要500L。
3、熱量表(油系統)
耐溫260℃,耐壓0.6MPa,測量范圍為體積流量0-6m3/h,精度0.1級,可以顯示及輸出質量流量、進出口溫度、瞬時熱流、累計熱量,與主控制系統匹配。
4、油泵(油系統)
流量Q=6m3,揚程H=15m ,380V電壓, 耐溫260℃,耐壓0.6MPa,配套符合使用條件的減震接頭及過濾器。
5、變頻控制器
與油泵及主控制系統匹配,可以在系統流量改變情況下保持油泵出口壓力基本恒定。
6、油箱(油系統)
容積V=0.2m3、不銹鋼材質,耐溫260℃,帶2kw電加熱,帶可視液位計,帶排污口、溫度傳感器接口、油箱六面均帶200mm硅酸鋁保溫,外包0.5mm鍍鋅鋼板保護層。
7、水處理器
口徑DN20,可以選用永磁水處理或其他方式,主要為防止水高溫結垢。
8、容積式換熱器(油系統與水系統結合)
2m3承壓立式,油水換熱換熱系數K>300 W/ m2·℃,換熱面積A>4 m2,帶安全閥接口、壓力表接口、溫度計接口、溫度傳感器接口、排污口,配套安全閥(開啟壓力1.7MPa)、壓力表、溫度計、排污閥。管程走油,耐溫260℃,耐壓0.6MPa,在油流量5m3/h,溫度100℃時管程阻力損失小于0.05MPa,盤管易于拆裝清洗;殼程容水,殼程承壓2.0MPa,耐溫200℃。此容積式換熱器外包150mm硅酸鋁保溫,外包0.5mm鍍鋅鋼板保護層。
9、TRM-2BM-KG1型太陽能中高溫集熱器系統控制柜
太陽能集熱器系統控制柜是將測試儀器與運行設備中的控制部分集成一體的綜合自動控制裝置,其采用微機控制技術對水泵,流量,壓力,溫度等設備進行集中測試與控制。并使測試數據自動登錄微機,打印檢測報告,使檢測過程自動進行,提高工作效率。
A.控制臺結構:鋼制結構,表面噴塑處理,室外全天侯工作結構,測量儀器嵌入式安裝,尺寸:1100×800×750。
B.系統供電:380V(±10%),50Hz(±2%)。
C.控制方式:手動輸入信息,自動完成控制,光電指示運行狀態。
D.由交流接觸器組成控制邏輯開關,實現各路工作切換。
E.通過微機通訊接口實現測試儀器的數據共享,同時發出控制信息。
F.安全保護功能,負載過流過溫,自動斷電。
G.控制通道:小于60路,檢測通道:小于80路。
H.控制負載:小于20A/路。
L.控制系統選用PLC+觸摸屏的型式。控制系統應與壓力傳感器、溫度傳感器、熱量表、輻照儀等測試儀表匹配兼容,還應與所有被控制設備匹配,所有被控制設備都可以切換手動或自動運行。帶有巡檢記錄儀,數據自動儲存,可以無線上網傳輸數據,可以完成積分運算,輸出計算結果報表,控制系統采用觸摸屏形式,整個控制系統可以做到無人值守,自動運行。
M.變頻調速技術的流量調節與控制。
利用恒壓水箱、泵和流量控制閥,精密流量傳感器等調節控制工質流量,并保證流量穩定性在±1%以內。系統采用變頻調速技術對油泵的流量進行任意調節,變頻器為進口產品,可以實現網絡化控制,精度較高.在真空管太陽集熱器出口處和其它可能積聚空氣的地方安裝了放氣閥,管路設有穩流裝置,時刻保證試驗其間的穩流要求。
10.全自動水油路運行控制裝置:
A.系統裝有高溫電磁閥組,采用邏輯組合管路結構,與變頻泵配合,通過智能控制器,自動實現水路進入,流出,測試等功能。
B.系統按照工業標準設計,管路具有過壓,排氣,過濾等保護裝置,保證室外全天侯工作 ,保溫等級:3級
C.與集熱器連接為專業高溫試驗管, 管路設有傳感器接口,可以安裝 (管路壓力,水溫,流量) 測量傳感器.
D.油路系統:所有上和下及管件使用不銹鋼材質,管件、閥門等采用品牌產品,管路必須到底零泄漏
試驗系統原理圖:

C.太陽能中高溫集熱器熱性能測試系統

(一)試驗方案及要求
1、太陽輻照:
共有3塊輻照表,分2處布置,G1為總輻射表,G2為直接輻射表,布置在集熱器開口平行平面,G3為總輻射表,布置在固定高度角平面。測試范圍0~2000w/m2,測試精度為士1%,輸出信號需要與控制系統匹配,數據要參與計算。
2、熱量(流量測點):
測量準確度:≤1%,測量分辨率:≤0.05m3/h,耐溫260℃,耐壓0.6MPa,阻力損失小于0.01 MPa,數據要參與計算。
3、溫度:
共7個,分7處布置,環境溫度T0、集熱器進出口T1T2、容積式換熱器油路進出口T3T4、容積式換熱器T5、油箱T6。測溫范圍-30℃~300℃,精度為士0.10℃,輸出信號需要與控制系統匹配,數據要參與計算。
4、壓力
共3個,分3處布置,集熱器進出口P1P2,油泵出口P3,耐溫300℃,耐壓0.6MPa,測壓范圍0~0.6MPa,精度為士50Pa,輸出信號需要與控制系統匹配,數據要參與計算。
5、風速
共1個,布置點同環境溫度T0,工作溫度30℃~50℃,測量范圍0~25m/s,精度為士0.5 m/s,輸出信號需要與控制系統匹配,數據只顯示及儲存,不參與計算。
6、驗證集熱器中溫端工作穩定性
在太陽輻照良好時,調整循環油泵流量及熱水箱溫度,保持集熱器在中溫度運行一段時間,查看系統參數的變化幅度。
6.1驗證一維跟蹤與固定平面太陽輻照差異性
通過兩個輻照表,收集對比不同季節的太陽輻照,根據數據明確兩種方式太陽輻照差異究竟有多大。
6.2得出系統效率
根據太陽輻照以及容積式換熱器得熱量,可以得出系統效率。
6.3得出集熱器效率
根據太陽輻照以及油進出集熱器得熱量,可以得出集熱器效率,擬合效率方程。
6.4得出集熱器壓力損失
根據集熱器進出口壓力降及流量,可以繪制流量--壓力降圖。
6.5為今后搭建系統設計中高溫產品積累數據。
(二)TRM-2BN型太陽能中高溫集熱器熱性能測試系統技術指標及特點
| 項數 | 項目 | 技術參數 | 備注 | |
|---|---|---|---|---|
| 1 | 太陽輻射 | 測量范圍 | 0~2000W/m2 | 國家一級表, 美國Eppley技術。測量傾斜面總輻射,水平面總輻射 |
| 測量精度 | <5% | |||
| 顯示分辨率 | 1 W/m2 | |||
| 顯示內容 | 瞬時值,日累計量等 | |||
| 通道數 | 2路 | |||
| 2 | 太陽直接射輻射 | 測量范圍 | 0~2000W/m2 | 國家一級表, 美國Eppley技術。測量傾斜面總輻射。 |
| 測量精度 | <5% | |||
| 顯示分辨率 | 1 W/m2 | |||
| 顯示內容 | 瞬時值,日累計量等 | |||
| 通道數 | 1路 | |||
| 3 | 管路溫度 | 測量范圍 | 0~300℃ | 集熱器進出口T1T2、容積式換熱器油路進出口T3T4、容積式換熱器T5、油箱T6。 |
| 測量精度 | ±0.2℃ | |||
| 4 | 環境溫度 | 測量范圍 | -40~+60℃ | 不銹鋼封裝,Φ4×40mm,全密封,防腐,防水,帶防輻射罩 |
| 測量精度 | ±0.1℃ | |||
| 顯示分辨率 | 0.1℃ | |||
| 通道數 | 1路 | |||
| 5 | 環境風速 | 測量范圍 | 0~70m/s | |
| 測量精度 | ±0.5m/s | |||
| 顯示分辨率 | 0.1 m/s | |||
| 通 道 數 | 1路 | |||
| 6 | 管路流量計 | 測量范圍 | 0~0.6MPa | 集熱器進出口P1、P2,油泵出口P3, |
| 精度 | ±50Pa | |||
| 耐溫 | 300℃ | |||
| 耐壓 | 0.6MPa | |||
| 通 道 數 | 3路 | |||